中文
English
日本語
时博在线登录官网
公司简介
发展历程
企业文化
社会荣誉
产品中心
车轮
模具
装备
技术品质
技术优势
品质保证
全球市场
时博(中国)
信息公示
人才在兴龙
职业发展
社会招聘
校园招聘
联系我们
时博(中国)
时博(中国)
首页
时博(中国)
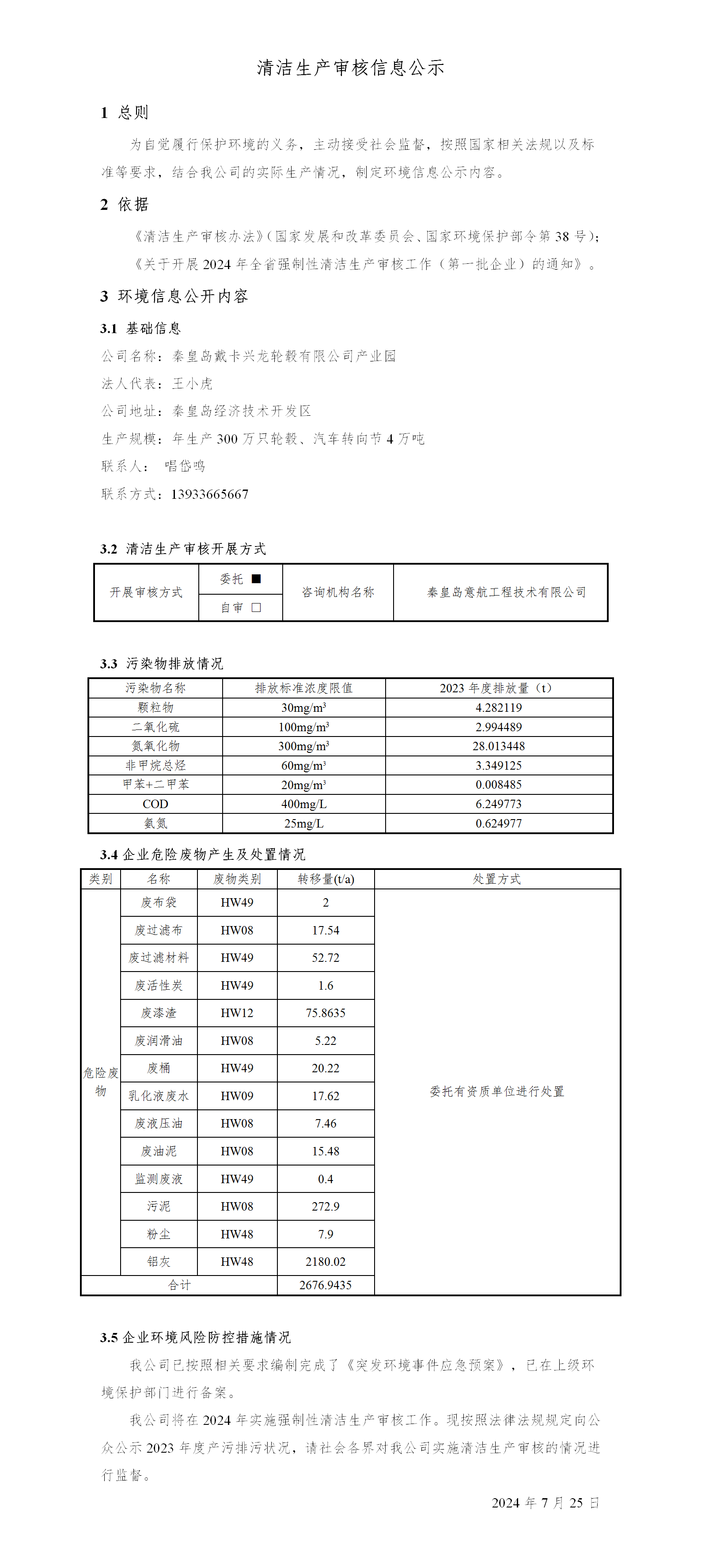
清洁生产审核信息公示
发布日期:2024-07-25
作者:
时博·体育
|
球盟会在线登录官网
|
华球网页版
|
emc易倍sport官网
|
江南网站
|
乐动网页版登录入口
|
时博在线平台
|
beat365中国在线
|
江南网页版
|